operator писал(а):
5Н13С
6Н13С. Там основная проблема - одинаковость половин. Исходное их назначение - стабилизаторы напряжения...
...так потому и напейсале "для высокоомных", чтобы не ставить трансформатыры, не то результат будет слишком ужастен. На низкоомные, да без трансформатыра-то...
Тут бардак в терминологии.
Канонично "выходной трансформатыр" суётся в цепь анода вых ламп(ы), имеет нагрузку где-то 4...16 Ом, то есть коэфф. трансформацыи где-то 20...30
Потом пришёл дядя Юлик Футтерман и стал выдвигать, извините за выражение, идеи. Получив неожиданные характеристики и заодно на треть снизив себестоимость. Это был годик так 1955-й.
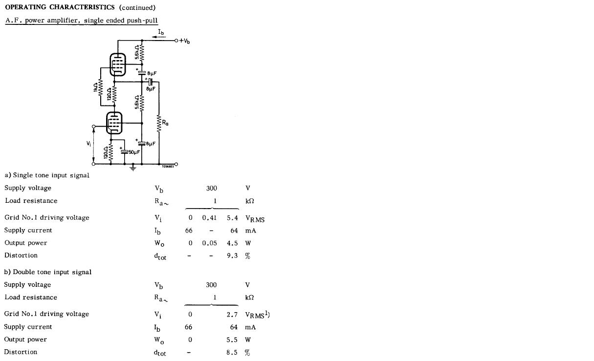
Потом компания Филипс стала делать радиоприёмники для бедных - вообще без каких-либо трансформаторов, сетевых в том числе. С пресловутыми 600-Омными широкополосниками в качестве нагрузки, два ватта выхлопа при коэффициенте гармоник 3%. Те самые EL86 и т.п.

Такое бугага нарисовано прямо у них в шитодате
Вложение:
el86srpp2.jpg [ 52.86 КБ | Просмотров: 7709 ]
Это годик так 1957-й.
Потом пришло жульё от хыъэндъа и эти потуги сэкономить на мисоцку рисика объявило Чюруящщим Пеняюием и Пирюдавым Дасьтеганюем.
...а потом было как всегда.
...нутоисть трансформатыр от систем для объявлять воздушную тревогу, который нужен на выходе катодного повторителя на 6Н5С - это совершенно не тот "выходной трансформатыр ломъпаднаго усюлятиля", к которому все за десятки лет привыкли. Он сильно проще.