Форум о музыке и аудиотехнике Sound Space



Часовой пояс: UTC + 3 часа




Начать новую тему Ответить на тему  [ Сообщений: 2173 ]  На страницу Пред.  1 ... 59, 60, 61, 62, 63, 64, 65 ... 73  След.
Автор Сообщение
 Заголовок сообщения: Сотонизъм на марше.
Непрочитанное сообщениеДобавлено: 04 авг 2023, 20:27 
Забанен навсегда
Аватара пользователя
Автор темы


Возраст: 111
Откуда: Moskau

На форуме с
Сообщений: 5516
Его благодарили: 1072
...и вообще я маленький и злобный.
Потерпевший говорил, сколько хулиардов гегопюкьсяляй стоил предмет, который в итоге отправился отдыхать, и какой именно поношыбой он являлся. Но я особо не запоминал.


Вложения:
EZpfT8PGFSA.jpg
EZpfT8PGFSA.jpg [ 258.54 КБ | Просмотров: 4470 ]

-----------------
Глухой.
  Не в сети Профиль  
 
 Заголовок сообщения: Сотонизъм на марше.
Непрочитанное сообщениеДобавлено: 04 авг 2023, 20:29 
Злобный модератор
Аватара пользователя

Откуда: Город бесов

На форуме с
Сообщений: 25104
Его благодарили: 6029
Шо, аднатактнег в гамнитафон со стрелкаме упихали? :bah:

-----------------
Как модератор форума я рад любому вкладу, независимо от того, насколько он деструктивен.


  Не в сети Профиль Моя система (откроется в новой вкладке)  
 
 Заголовок сообщения: Сотонизъм на марше.
Непрочитанное сообщениеДобавлено: 05 авг 2023, 02:04 
Забанен навсегда
Аватара пользователя
Автор темы


Возраст: 111
Откуда: Moskau

На форуме с
Сообщений: 5516
Его благодарили: 1072
Да вон же балалайка, внизу. А на предыдущщей стр. фрагмент начинки.
...и кстати, я сам попервоначалу заподозрил. Но это не говнетофон, в нём две дороги, пятнадцать ипсов и до кучи сендастовые бошки.

Изображение

-----------------
Глухой.


  Не в сети Профиль  
 
 Заголовок сообщения: Сотонизъм на марше.
Непрочитанное сообщениеДобавлено: 05 авг 2023, 09:32 
Аватара пользователя


На форуме с
Сообщений: 3209
Его благодарили: 725
Phlanger писал(а):
сколько хулиардов гегопюкьсяляй стоил предмет, который в итоге отправился отдыхать

Inter m всегда делал недорого для профсектора, это ребрединг Inkel, в том числе как раз и для обьявлять воздушную тревогу на автовокзале хто потерял эти гири, гюгилярдами фертингов там и не пахло никогда.

https://inter-m.info/


  Не в сети Профиль  
 
 Заголовок сообщения: Сотонизъм на марше.
Непрочитанное сообщениеДобавлено: 05 авг 2023, 12:26 
Забанен навсегда
Аватара пользователя
Автор темы


Возраст: 111
Откуда: Moskau

На форуме с
Сообщений: 5516
Его благодарили: 1072
Вы бы штоле системщика позвали, раз у вас картинки не грузяццо.
Ну или няньку, которая объяснит, что на них изображено. Если грузяццо таки.

-----------------
Глухой.


  Не в сети Профиль  
 
 Заголовок сообщения: Сотонизъм на марше.
Непрочитанное сообщениеДобавлено: 06 авг 2023, 10:29 
Аватара пользователя


На форуме с
Сообщений: 3209
Его благодарили: 725
В самом низу слева вроде бы интер м, что ты показывал на предыдущих фото, поди догадайся, что у тебя и где внизу имеется ввиду и о чем речь.


  Не в сети Профиль  
 
 Заголовок сообщения: Сотонизъм на марше.
Непрочитанное сообщениеДобавлено: 13 авг 2023, 02:57 
Забанен навсегда
Аватара пользователя
Автор темы


Возраст: 111
Откуда: Moskau

На форуме с
Сообщений: 5516
Его благодарили: 1072
Хехе. Хе.
Два вертака - два корректора, один из них с отдельными входама MM и MC... И как со всем этим бороться.


Вложения:
20230807_110500sm.jpg
20230807_110500sm.jpg [ 168.65 КБ | Просмотров: 4270 ]

-----------------
Глухой.
  Не в сети Профиль  
 
 Заголовок сообщения: Сотонизъм на марше.
Непрочитанное сообщениеДобавлено: 14 авг 2023, 22:27 
Забанен навсегда
Аватара пользователя
Автор темы


Возраст: 111
Откуда: Moskau

На форуме с
Сообщений: 5516
Его благодарили: 1072
...ну шо, кому Чюдатворна Ломъпаднай корректор?


Вложения:
20230811_122721sm.jpg
20230811_122721sm.jpg [ 151.8 КБ | Просмотров: 4193 ]

-----------------
Глухой.
  Не в сети Профиль  
 
 Заголовок сообщения: Сотонизъм на марше.
Непрочитанное сообщениеДобавлено: 23 авг 2023, 08:12 
Забанен навсегда
Аватара пользователя
Автор темы


Возраст: 111
Откуда: Moskau

На форуме с
Сообщений: 5516
Его благодарили: 1072
Хехе. Хе.


Вложения:
sug_den0.jpg
sug_den0.jpg [ 213.37 КБ | Просмотров: 4061 ]

-----------------
Глухой.
  Не в сети Профиль  
 
 Заголовок сообщения: Сотонизъм на марше.
Непрочитанное сообщениеДобавлено: 01 сен 2023, 20:07 
Забанен навсегда
Аватара пользователя
Автор темы


Возраст: 111
Откуда: Moskau

На форуме с
Сообщений: 5516
Его благодарили: 1072
Бгггг.
Это нечто "по мотивам Lynx 04".


Вложения:
mmcf10_pcb.jpg
mmcf10_pcb.jpg [ 203.54 КБ | Просмотров: 3917 ]

-----------------
Глухой.
  Не в сети Профиль  
 
 Заголовок сообщения: Сотонизъм на марше.
Непрочитанное сообщениеДобавлено: 04 сен 2023, 22:46 
Забанен навсегда
Аватара пользователя
Автор темы


Возраст: 111
Откуда: Moskau

На форуме с
Сообщений: 5516
Его благодарили: 1072
...а вот это Чюдатворнай Наимъ. Триста двадцать два.


Вложения:
naimъ.jpg
naimъ.jpg [ 198.74 КБ | Просмотров: 3838 ]

-----------------
Глухой.
  Не в сети Профиль  
 
 Заголовок сообщения: Сотонизъм на марше.
Непрочитанное сообщениеДобавлено: 02 окт 2023, 12:47 
Забанен навсегда
Аватара пользователя
Автор темы


Возраст: 111
Откуда: Moskau

На форуме с
Сообщений: 5516
Его благодарили: 1072
Бгггг. Чюдатворнай ЗюгъДэнъ как он есть.


Вложения:
ivU7El01B2E[1].jpg
ivU7El01B2E[1].jpg [ 467.1 КБ | Просмотров: 2904 ]
N2JPsLjK-II[1].jpg
N2JPsLjK-II[1].jpg [ 497.63 КБ | Просмотров: 2904 ]

-----------------
Глухой.
  Не в сети Профиль  
 
 Заголовок сообщения: Сотонизъм на марше.
Непрочитанное сообщениеДобавлено: 02 окт 2023, 12:59 
Аватара пользователя
Имя: юрий
Возраст: 68
Откуда: самара

На форуме с
Сообщений: 1844
Его благодарили: 933
Платы с АЛИ?

-----------------
Прежде чем диагностировать у себя депрессию и заниженную самооценку,убедитесь,что вы не окружены идиотами.
Фрейд

Умные мысли приходят после того, как все глупости уже сделаны.


  Не в сети Профиль Моя система (откроется в новой вкладке)  
 
 Заголовок сообщения: Сотонизъм на марше.
Непрочитанное сообщениеДобавлено: 02 окт 2023, 16:53 
Забанен навсегда
Аватара пользователя
Автор темы


Возраст: 111
Откуда: Moskau

На форуме с
Сообщений: 5516
Его благодарили: 1072
Именно.
Причём чётко соотвецтвуют схеме на новодельный ЗюгъДэнъ. Не с олебобов. Я проверил.

-----------------
Глухой.


  Не в сети Профиль  
 
 Заголовок сообщения: Сотонизъм на марше.
Непрочитанное сообщениеДобавлено: 02 окт 2023, 18:40 
Аватара пользователя

Откуда: Самара

На форуме с
Сообщений: 14455
Его благодарили: 2047
Phlanger писал(а):
Чюдатворнай ЗюгъДэнъ как он есть.

плунжерно-китайский франкенштайн это канешна чюдотворно, но вот кэтому, настоящему, играющему вот прямо сейчас, я думаю отношенюя имеет мало:


Вложения:
DSC05299.JPG
DSC05299.JPG [ 278.27 КБ | Просмотров: 2869 ]

-----------------
Нужна электрогитара:
https://audioes.ru/viewtopic.php?f=83&t=11945
  Не в сети Профиль Моя система (откроется в новой вкладке)  
 
 Заголовок сообщения: Сотонизъм на марше.
Непрочитанное сообщениеДобавлено: 02 окт 2023, 19:29 
Забанен навсегда
Аватара пользователя
Автор темы


Возраст: 111
Откуда: Moskau

На форуме с
Сообщений: 5516
Его благодарили: 1072
AgNz писал(а):
вот прямо сейчас
Есть ровно три нюанса:
1. Вон тот, выше - был продан ещё три месяца назад.
2. В отличие от.
3. Думать - вредно.

Изображение

-----------------
Глухой.


  Не в сети Профиль  
 
 Заголовок сообщения: Сотонизъм на марше.
Непрочитанное сообщениеДобавлено: 02 окт 2023, 19:56 
Злобный модератор
Аватара пользователя

Откуда: Город бесов

На форуме с
Сообщений: 25104
Его благодарили: 6029
AgNz писал(а):
но вот кэтому, настоящему


Вложения:
1de74625931a05b85356c6ba30138213.jpg
1de74625931a05b85356c6ba30138213.jpg [ 102.51 КБ | Просмотров: 2854 ]

-----------------
Как модератор форума я рад любому вкладу, независимо от того, насколько он деструктивен.
  Не в сети Профиль Моя система (откроется в новой вкладке)  
 
 Заголовок сообщения: Сотонизъм на марше.
Непрочитанное сообщениеДобавлено: 02 окт 2023, 20:39 
Аватара пользователя


На форуме с
Сообщений: 3209
Его благодарили: 725
На сагдене ручки как от кухонного гарнитура морду лица портят невпопад. Такое себе решение, дизайнерская мысль не дремлет.


  Не в сети Профиль  
 
 Заголовок сообщения: Сотонизъм на марше.
Непрочитанное сообщениеДобавлено: 02 окт 2023, 20:52 
Забанен навсегда
Аватара пользователя
Автор темы


Возраст: 111
Откуда: Moskau

На форуме с
Сообщений: 5516
Его благодарили: 1072
...то есть потеребонькать не получилось?

-----------------
Глухой.


  Не в сети Профиль  
 
 Заголовок сообщения: Сотонизъм на марше.
Непрочитанное сообщениеДобавлено: 02 окт 2023, 21:22 
Аватара пользователя
Имя: Александр
Возраст: 56
Откуда: г.Омск

На форуме с
Сообщений: 19960
Его благодарили: 2156
Страшны фанатики " Аудиофилии"... :(
У них свой "вектор "..
Давеча слухали ламповый усилитель от великого мастера... очень известного в узких кругах...
Монументальность... Подача... Вокал... Много воздуха... И т. п...
Где? Когда? Когда начнеться? Сколько прогревать? Год? Три... Или пять . .. Народ в недоумении...
Но ведь есть поклонники " эпистолярного ( рукоблудного) жанра..
Они с пеной у рта доказывают что это и есть НИРВАНА... Но к этому усилителю ещё нужна акустика широкополосная... Специнательное помещение и главное стакан ВИСКАРЯ... и всё будет в ёлочку... :cool:


  Не в сети Профиль  
 
 Заголовок сообщения: Сотонизъм на марше.
Непрочитанное сообщениеДобавлено: 02 окт 2023, 23:02 
Аватара пользователя


На форуме с
Сообщений: 3209
Его благодарили: 725
А ручки на морде у авторского изделия есть? Ежели нет, то несолидно, воздуха не будет слыхать, точно глаголю.


  Не в сети Профиль  
 
 Заголовок сообщения: Сотонизъм на марше.
Непрочитанное сообщениеДобавлено: 03 окт 2023, 09:26 
Забанен навсегда
Аватара пользователя
Автор темы


Возраст: 111
Откуда: Moskau

На форуме с
Сообщений: 5516
Его благодарили: 1072
...а ножъки? ножъки есть на морде?

-----------------
Глухой.


  Не в сети Профиль  
 
 Заголовок сообщения: Сотонизъм на марше.
Непрочитанное сообщениеДобавлено: 03 окт 2023, 09:30 
Аватара пользователя

Откуда: Самара

На форуме с
Сообщений: 14455
Его благодарили: 2047
Phlanger писал(а):
есть на морде?

и шоб пересаженные кошачьи усы пучком из носа!

-----------------
Нужна электрогитара:
https://audioes.ru/viewtopic.php?f=83&t=11945


  Не в сети Профиль Моя система (откроется в новой вкладке)  
 
 Заголовок сообщения: Сотонизъм на марше.
Непрочитанное сообщениеДобавлено: 03 окт 2023, 09:46 
Аватара пользователя


На форуме с
Сообщений: 3209
Его благодарили: 725
Phlanger писал(а):
ножъки есть на морде?

Должны быть обязательно. Вдруг его заденешь локтем в порыве домашних игрищ, а он бац - перевернется и фэйсом об тэйбл? Непорядок.
Ты танк в полном обвесе видал? Сколько у него всяких приколюх по бокам до макушки? Это ежели в канаву свалится, шоп вмятины самортизировать.


  Не в сети Профиль  
 
 Заголовок сообщения: Сотонизъм на марше.
Непрочитанное сообщениеДобавлено: 06 окт 2023, 17:32 
Забанен навсегда
Аватара пользователя
Автор темы


Возраст: 111
Откуда: Moskau

На форуме с
Сообщений: 5516
Его благодарили: 1072
...кстати, кому мелкосхемный корректор не без некоторого аудевофилизьма?


Вложения:
20231006_162034sm.jpg
20231006_162034sm.jpg [ 342.73 КБ | Просмотров: 2695 ]
20231006_162437sm.jpg
20231006_162437sm.jpg [ 350.02 КБ | Просмотров: 2695 ]

-----------------
Глухой.
  Не в сети Профиль  
 
 Заголовок сообщения: Сотонизъм на марше.
Непрочитанное сообщениеДобавлено: 06 окт 2023, 17:48 
Злобный модератор
Аватара пользователя

Откуда: Город бесов

На форуме с
Сообщений: 25104
Его благодарили: 6029
А где тут аудифилизьма то? :?

-----------------
Как модератор форума я рад любому вкладу, независимо от того, насколько он деструктивен.


  Не в сети Профиль Моя система (откроется в новой вкладке)  
 
 Заголовок сообщения: Сотонизъм на марше.
Непрочитанное сообщениеДобавлено: 06 окт 2023, 17:52 
Модератор
Аватара пользователя
Имя: Владимир.
Откуда: СПб. Колпино.

На форуме с
Сообщений: 12875
Его благодарили: 6339
operator писал(а):
А где тут аудифилизьма то? :?

Вот та чорненькая слева)

-----------------
Лужу-паяю, ЭВМ починяю.


  Не в сети Профиль Профиль на discogs.com (откроется в новом окне) Моя система (откроется в новой вкладке)  
 
 Заголовок сообщения: Сотонизъм на марше.
Непрочитанное сообщениеДобавлено: 06 окт 2023, 18:08 
Забанен навсегда
Аватара пользователя
Автор темы


Возраст: 111
Откуда: Moskau

На форуме с
Сообщений: 5516
Его благодарили: 1072
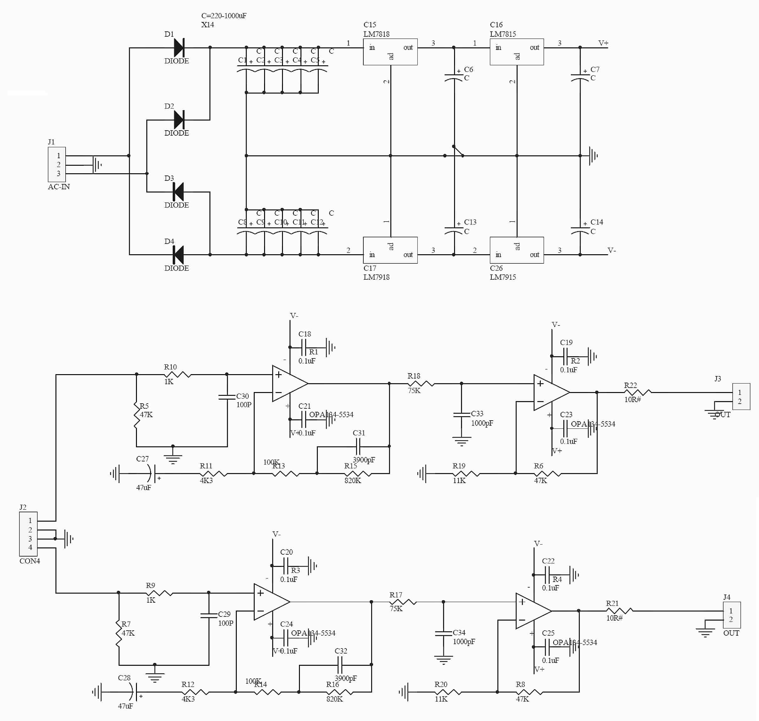
Жъ вотъ. "Двухкаскадный" стабелезатыр в питании конешно чушь, а остальное более-менее по Линксу

https://lynxaudio.jimdo.com/app/downloa ... _stage.pdf

Вложение:
mmcf10_big.jpg
mmcf10_big.jpg [ 134.87 КБ | Просмотров: 2685 ]

Вложение:
lynx04.gif
lynx04.gif [ 173.24 КБ | Просмотров: 2685 ]

-----------------
Глухой.


  Не в сети Профиль  
 
 Заголовок сообщения: Сотонизъм на марше.
Непрочитанное сообщениеДобавлено: 06 окт 2023, 18:11 
Злобный модератор
Аватара пользователя

Откуда: Город бесов

На форуме с
Сообщений: 25104
Его благодарили: 6029
Вы тут Дмитрий Олегыч чаво со своими операционниками лезете? МЫ, конченные аудифилы и презренные хиендщики порицаем схемы на ОУ. Ибо нефуй :evil:

-----------------
Как модератор форума я рад любому вкладу, независимо от того, насколько он деструктивен.


  Не в сети Профиль Моя система (откроется в новой вкладке)  
 
 Заголовок сообщения: Сотонизъм на марше.
Непрочитанное сообщениеДобавлено: 06 окт 2023, 22:30 
Модератор
Аватара пользователя
Имя: Владимир.
Откуда: СПб. Колпино.

На форуме с
Сообщений: 12875
Его благодарили: 6339
operator писал(а):
МЫ, конченные аудифилы и презренные хиендщики порицаем схемы на ОУ.

Особенно с коррекцией в оос. :D

-----------------
Лужу-паяю, ЭВМ починяю.


  Не в сети Профиль Профиль на discogs.com (откроется в новом окне) Моя система (откроется в новой вкладке)  
 
Показать сообщения за:  Поле сортировки  
Начать новую тему Ответить на тему  [ Сообщений: 2173 ]  На страницу Пред.  1 ... 59, 60, 61, 62, 63, 64, 65 ... 73  След.

Часовой пояс: UTC + 3 часа


Кто сейчас на форуме

Сейчас этот форум просматривают: нет зарегистрированных пользователей и гости: 1


Вы не можете начинать темы
Вы не можете отвечать на сообщения
Вы не можете редактировать свои сообщения
Вы не можете удалять свои сообщения
Вы не можете добавлять вложения

Найти:
Перейти:  

Создано на основе phpBB® Forum Software © phpBB Group
© 2013-2020 Sound Space - форум о музыке и аудиотехнике
Разработка логотипа - artcore.top

    hosted by .masterhost