Форум о музыке и аудиотехнике Sound Space



Часовой пояс: UTC + 3 часа




Начать новую тему Ответить на тему  [ Сообщений: 201 ]  На страницу 1, 2, 3, 4, 5 ... 7  След.
Автор Сообщение
 Заголовок сообщения: FISHER CA M-300, похоже ему хана...
Непрочитанное сообщениеДобавлено: 04 мар 2025, 17:32 
Аватара пользователя
Автор темы

Имя: Дмитрий
Возраст: 49
Откуда: С-Петербург

На форуме с
Сообщений: 911
Его благодарили: 159
Приветствую форум!

Появился в хозяйстве обозначенный электроприбор. Не скажу, что питаю нежные чувства к конкретно этой марке, из приличного попадалась только Fisher Profeshional CA/BA 4500.
Этот M-300 напомнил SANYO Plus. Все вполне прилично. Взял его в хозяйство в комплект к FISHER CR M-200, зацепила меня эта красотка, играет вполне, что подтверждает
При попытке проверить технику, после включения через минуту отвалился один канал, еще через минуту полыхнул предохранитель на вторичной на одном плече.
После замены предохранителя и повторном включении, канал не появился, через пару минут сгорели уже оба предохранителя.
Было третье включение.... Успел я снять напряжения на преде и мощнике. После этого отпаял все резюки, все промерил - порядок. Керамика не в кз, электролитов там кот наплакал, заменил все.
Четвертое включение ничем не отличилось от третьего. Напряжения на STK точно такие же. Предохранителей хватает на пару минут. При отключении питания от мощника все ок. Напруга на плечах питания мощника ок, на стабах преда ок. Напруга на ОУ согласно мануалу. Ниче не горит.
Если я правильно понимаю, такое напряжение на входе мощника говорит, что он пробит наглухо... Не?


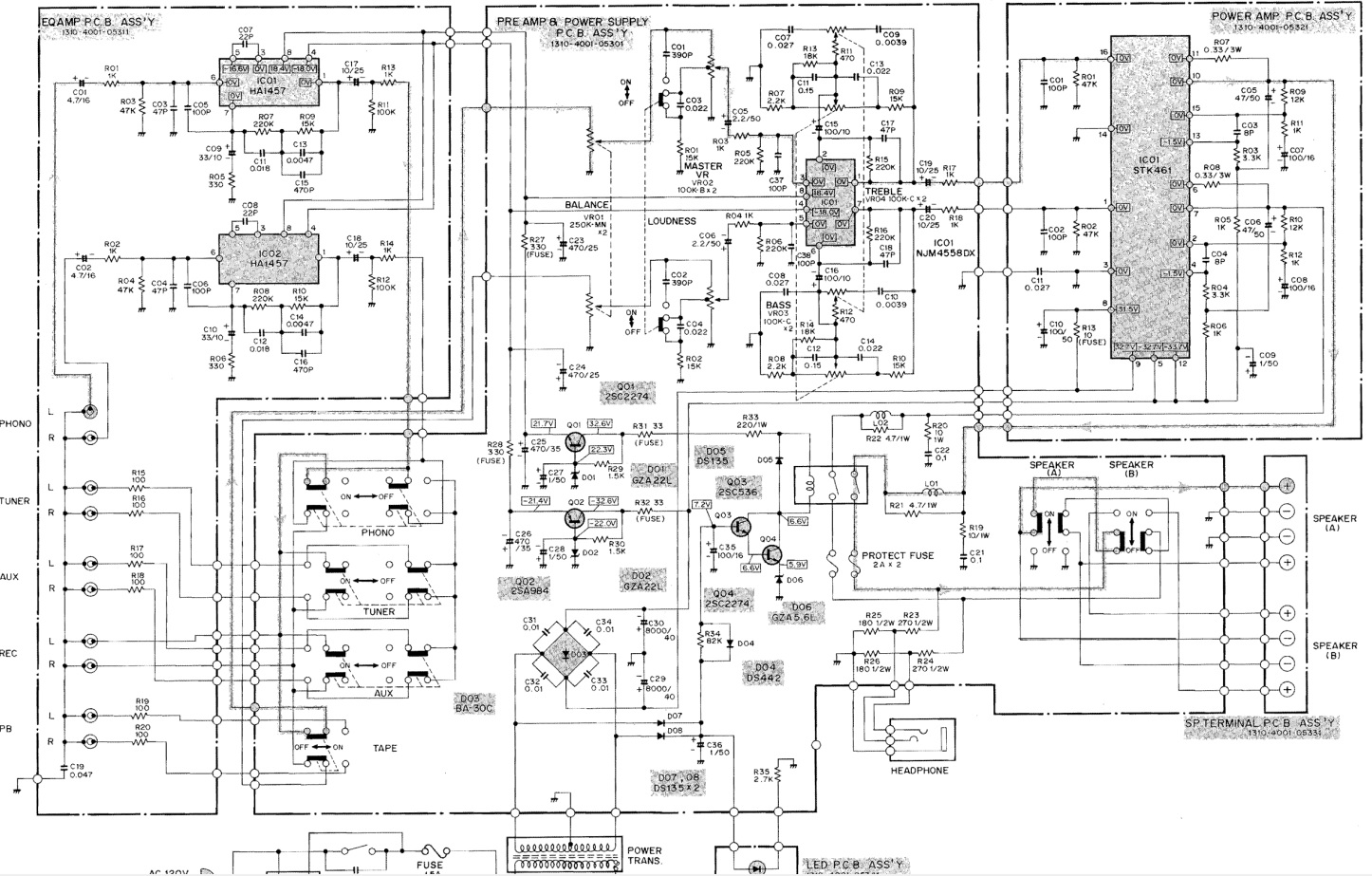
Вложения:
Схема полная.jpg
Схема полная.jpg [ 430.85 КБ | Просмотров: 13267 ]
  Не в сети Профиль Профиль на discogs.com (откроется в новом окне) Моя система (откроется в новой вкладке)  
 
 Заголовок сообщения: FISHER CA M-300, похоже ему хана...
Непрочитанное сообщениеДобавлено: 04 мар 2025, 17:38 
Аватара пользователя
Автор темы

Имя: Дмитрий
Возраст: 49
Откуда: С-Петербург

На форуме с
Сообщений: 911
Его благодарили: 159
Напряжения на мощнике


Вложения:
Напряжения.jpg
Напряжения.jpg [ 463.55 КБ | Просмотров: 13266 ]
02 Схема STK.jpg
02 Схема STK.jpg [ 152.89 КБ | Просмотров: 13266 ]
  Не в сети Профиль Профиль на discogs.com (откроется в новом окне) Моя система (откроется в новой вкладке)  
 
 Заголовок сообщения: FISHER CA M-300, похоже ему хана...
Непрочитанное сообщениеДобавлено: 04 мар 2025, 22:25 
Забанен навсегда
Аватара пользователя

Возраст: 111
Откуда: Moskau

На форуме с
Сообщений: 5517
Его благодарили: 1072
Там минусовое питание от истыкашычьки случаем не отвалилось? А земля от 14-й ноги её же?

-----------------
Глухой.


  Не в сети Профиль  
 
 Заголовок сообщения: FISHER CA M-300, похоже ему хана...
Непрочитанное сообщениеДобавлено: 04 мар 2025, 22:42 
Аватара пользователя
Автор темы

Имя: Дмитрий
Возраст: 49
Откуда: С-Петербург

На форуме с
Сообщений: 911
Его благодарили: 159
все контакты и металлосвязь в порядке. отметил только то, что не соответствует (вернее, не отметил, что соответсвует). Корпус радиатора так-же дополнительно соединил с шасси (ставил его на ребро чтоб подлезть).


  Не в сети Профиль Профиль на discogs.com (откроется в новом окне) Моя система (откроется в новой вкладке)  
 
 Заголовок сообщения: FISHER CA M-300, похоже ему хана...
Непрочитанное сообщениеДобавлено: 05 мар 2025, 00:06 
Аватара пользователя
Автор темы

Имя: Дмитрий
Возраст: 49
Откуда: С-Петербург

На форуме с
Сообщений: 911
Его благодарили: 159
В общем смотрю в мурзилку от санье на стк461 рабочее 23, предельное 33, разработчики запустили 32,5. Ну может под нашрузкой оно так правильней. В общем нашлась на алике 463 (28 рабочее, 38 предельное), внешне более-менее из всех там представленных похожая на оригинальный махровый винтаж (горелый образец есть). Приедет будем посмотреть-подключать. За тыщу не обеднею, есть мысль попробовать ченить новое, так будет вариант всегда вернуть электроприбор к заводскому состоянию. В общем меня сильно порадовала простота конструкции, ремонтнопригодность и незатейливая компоновка, когда фоник, пред и мощник четко в своих объемах и на разных платах. Такую возможность нельзя упускать!


Вложения:
WhatsApp Image 2025-02-25 at 11.53.05.jpeg
WhatsApp Image 2025-02-25 at 11.53.05.jpeg [ 194.8 КБ | Просмотров: 13206 ]
  Не в сети Профиль Профиль на discogs.com (откроется в новом окне) Моя система (откроется в новой вкладке)  
 
 Заголовок сообщения: FISHER CA M-300, похоже ему хана...
Непрочитанное сообщениеДобавлено: 05 мар 2025, 12:45 
Забанен навсегда
Аватара пользователя

Возраст: 111
Откуда: Moskau

На форуме с
Сообщений: 5517
Его благодарили: 1072
metal-daze писал(а):
нашлась на алике 463
Не делайте этого. Совершенно неинтересно за свой счёт выяснять, на какой секунде полёта вот это, с олебобов, взорвётся.
Туда платочка на паре TDA7294 встанет как родная. У меня даже вроде где-то подходящая валялась.

-----------------
Глухой.


  Не в сети Профиль  
 
 Заголовок сообщения: FISHER CA M-300, похоже ему хана...
Непрочитанное сообщениеДобавлено: 05 мар 2025, 14:40 
Аватара пользователя
Автор темы

Имя: Дмитрий
Возраст: 49
Откуда: С-Петербург

На форуме с
Сообщений: 911
Его благодарили: 159
Такой риск присутствует! Ходил на вегу почитать про эти STK. Первая мысль - ну нах...!!! Вторая - а не вкрячить ли туда LM 4766 обвязанную по даташит, собранную на монтажной платке, но ее продают от четырех штук.
Phlanger писал(а):
Туда платочка на паре TDA7294 встанет как родная.

Не знаю Дмитрий Олегович, сомнительно, ну допустим одна зайдет как дети в школу, две с пятнадцатью ногами на каждой, хотя....
Короче я сегодня геометрию замерю, вариант на TDA в любом случае интересней чем старые STK. Так и до замены ОУ дойдет, хотя кроватку и NJM4580 как менее шумную я тоже заказал на всякий случай.


  Не в сети Профиль Профиль на discogs.com (откроется в новом окне) Моя система (откроется в новой вкладке)  
 
 Заголовок сообщения: FISHER CA M-300, похоже ему хана...
Непрочитанное сообщениеДобавлено: 05 мар 2025, 17:37 
Аватара пользователя
Имя: игорь
Возраст: 59
Откуда: Казахстан Петропавловск

На форуме с
Сообщений: 465
Его благодарили: 92
СТКашки с Алика очень сомнительный вариант . Они и родные не очень ходят . кстати их ещё можно разобрать и бывает удаётся починить .


  Не в сети Профиль  
 
 Заголовок сообщения: FISHER CA M-300, похоже ему хана...
Непрочитанное сообщениеДобавлено: 05 мар 2025, 22:46 
Аватара пользователя
Автор темы

Имя: Дмитрий
Возраст: 49
Откуда: С-Петербург

На форуме с
Сообщений: 911
Его благодарили: 159
В общем, что получается по свободному пространству:

Оригинальная плата мощника STK 120х30
Свободное пространство после снятия блока мощника 120х85х40 (втулки под опору платы и зазор перед крышкой корпуса учел)
Если все городить на оригинальном теплоотводе то 45х110, высота 30 (это если снять одно внутренне оребрение)


Вложения:
WhatsApp Image 2025-03-05 at 22.32.46 (1).jpeg
WhatsApp Image 2025-03-05 at 22.32.46 (1).jpeg [ 176.29 КБ | Просмотров: 13100 ]
WhatsApp Image 2025-03-05 at 22.32.46 (2).jpeg
WhatsApp Image 2025-03-05 at 22.32.46 (2).jpeg [ 123.8 КБ | Просмотров: 13100 ]
WhatsApp Image 2025-03-05 at 22.32.46 (3).jpeg
WhatsApp Image 2025-03-05 at 22.32.46 (3).jpeg [ 113.53 КБ | Просмотров: 13100 ]
WhatsApp Image 2025-03-05 at 22.32.46 (4).jpeg
WhatsApp Image 2025-03-05 at 22.32.46 (4).jpeg [ 103.06 КБ | Просмотров: 13100 ]
  Не в сети Профиль Профиль на discogs.com (откроется в новом окне) Моя система (откроется в новой вкладке)  
 
 Заголовок сообщения: FISHER CA M-300, похоже ему хана...
Непрочитанное сообщениеДобавлено: 05 мар 2025, 22:55 
Аватара пользователя
Автор темы

Имя: Дмитрий
Возраст: 49
Откуда: С-Петербург

На форуме с
Сообщений: 911
Его благодарили: 159
И самое паршивое, сверху трансформатор выглядит сильно круче чем на самом деле.... И это главный сдерживающий фактор.


Вложения:
WhatsApp Image 2025-03-05 at 22.53.45.jpeg
WhatsApp Image 2025-03-05 at 22.53.45.jpeg [ 122.2 КБ | Просмотров: 13100 ]
WhatsApp Image 2025-03-05 at 22.51.54.jpeg
WhatsApp Image 2025-03-05 at 22.51.54.jpeg [ 113.6 КБ | Просмотров: 13100 ]
  Не в сети Профиль Профиль на discogs.com (откроется в новом окне) Моя система (откроется в новой вкладке)  
 
 Заголовок сообщения: FISHER CA M-300, похоже ему хана...
Непрочитанное сообщениеДобавлено: 06 мар 2025, 08:09 
Модератор
Аватара пользователя
Имя: Владимир.
Откуда: СПб. Колпино.

На форуме с
Сообщений: 12879
Его благодарили: 6340
Ну и выкинуть конец из него совсем, пусть чисто предом работает.
У него ж на заду даже написано pre-main, т.е. конец контрольный.

-----------------
Лужу-паяю, ЭВМ починяю.


  Не в сети Профиль Профиль на discogs.com (откроется в новом окне) Моя система (откроется в новой вкладке)  
 
 Заголовок сообщения: FISHER CA M-300, похоже ему хана...
Непрочитанное сообщениеДобавлено: 06 мар 2025, 10:00 
Аватара пользователя
Имя: Александр
Откуда: Москва

На форуме с
Сообщений: 1785
Его благодарили: 703
Заменить в преде ОУ на 5532, у нее в отличии от стока хорошая нагрузочная способность, и тихая она , собрать новый оконечник на чем угодно! Под базовое питание схем проверенных навалом. Можно и на 7294 — 93 собрать. Можно на рассыпухе. Усилитель Дорофеева туда можно определить. Там полторы детали, причем совсем не редкие и общедоступные, и работает он вполне себе прилично. Для таких целей он самое то! А брать у Аликов активные элементы — низя!!!! Шляпу подсунут! Они ребяты , конечно же, хорошие, но шляпу обязательно подсунут. Не по злобе, а патамушто. :)

-----------------
Лучшее - враг хорошего!


  Не в сети Профиль  
 
 Заголовок сообщения: FISHER CA M-300, похоже ему хана...
Непрочитанное сообщениеДобавлено: 06 мар 2025, 10:11 
Забанен навсегда
Аватара пользователя

Возраст: 111
Откуда: Moskau

На форуме с
Сообщений: 5517
Его благодарили: 1072
metal-daze писал(а):
сверху трансформатор выглядит сильно круче чем
Трансформатор реально хороший, недешёвый. Это пресловутое R-core железо.
Вообще, ситуация для замены на 7294 близка к идеальной: питание +\-33, а не +\-55, как вечно у этих (и это при выхлопе 40 Ватт на канал) и нету этих сиротских тембров в ООС УМа.
А в радиаторе и пару лишних дырок просверлить недолго...

...вот, например
https://aliexpress.ru/item/1005006845298008.html
только без мелкосхем, естессно. Без мелкосхем это рублёв двести.

-----------------
Глухой.


  Не в сети Профиль  
 
 Заголовок сообщения: FISHER CA M-300, похоже ему хана...
Непрочитанное сообщениеДобавлено: 06 мар 2025, 22:43 
Аватара пользователя
Автор темы

Имя: Дмитрий
Возраст: 49
Откуда: С-Петербург

На форуме с
Сообщений: 911
Его благодарили: 159
Горрыныч,
Да какой он контрольный...., там один выход на матафон.... И преаут не втиснуть, уже думал

Зигфрид писал(а):
Заменить в преде ОУ на 5532,

Спасибо, учту, и до нее дело дойдет. Есть одна сиротская OPA 2134, но все эти игрища после приведения усилителя в более-менее в заводское состояние. Это все в зависимости от того как будут развиваться дальнейшие события.

Phlanger,
Я поражен, как у вас наметан глаз. Щас все перемерял, даже прикрутил чтоб совсем четко, 115х55 по итогу. Плата заходит четко (но по всем известному закону дырки на чипах обязательно совпадут с положением ребра, тады просверлю чип!). Дядь Дим, а есть в загашнике путевые TDA?

В общем я наверно поторопился, просто когда +16 на входе намерял, психанул... Короче 463 уже прошла таможню. Сначало ее запаяю, сгорит так и туда ей дорога, одной гадостью на земле меньше. Если все окажется ок, тады законсервирую ее с заводской платой и в шкапчик на чОрный день. Нужно попробовать TDA или класс D. Говорят он сильно продвинулся, там на веге все кончают в потолок. Но я при таком раскладе свез бы технику на дачу и большие трехполоски к нему прикрутил. 30-40 ватт с канала снимется же на этом трансформаторе?


  Не в сети Профиль Профиль на discogs.com (откроется в новом окне) Моя система (откроется в новой вкладке)  
 
 Заголовок сообщения: FISHER CA M-300, похоже ему хана...
Непрочитанное сообщениеДобавлено: 07 мар 2025, 00:42 
Аватара пользователя
Имя: Александр
Откуда: Москва

На форуме с
Сообщений: 1785
Его благодарили: 703
Класс D !!?!? Аудиофилы тебя проклянут!

-----------------
Лучшее - враг хорошего!


  Не в сети Профиль  
 
 Заголовок сообщения: FISHER CA M-300, похоже ему хана...
Непрочитанное сообщениеДобавлено: 07 мар 2025, 10:50 
Забанен навсегда
Аватара пользователя

Возраст: 111
Откуда: Moskau

На форуме с
Сообщений: 5517
Его благодарили: 1072
Класс D мастдай. Велика вероятность долго и вдумчиво бороться с помехами и так их и не побороть.
Какие-то TDA7294 у меня где-то валялись примерно в позапрошлом году ажъ вместе с пустой платой без деталей, останется их найти...

О мощности таких трансформаторов делать предположения по фото я затрудняюсь. Но в общем, наверно возможно.

-----------------
Глухой.


  Не в сети Профиль  
 
 Заголовок сообщения: FISHER CA M-300, похоже ему хана...
Непрочитанное сообщениеДобавлено: 07 мар 2025, 11:59 
Аватара пользователя
Автор темы

Имя: Дмитрий
Возраст: 49
Откуда: С-Петербург

На форуме с
Сообщений: 911
Его благодарили: 159
Зигфрид писал(а):
Аудиофилы тебя проклянут!


Вложение:
7wIrMq3yB3g.jpg
7wIrMq3yB3g.jpg [ 33.15 КБ | Просмотров: 12928 ]


"Да ладно, я сам милиционер"..... в смысле меломан :)

Если я все правильно понял из обсуждения на форуме чипа и веги, основная проблема, не учитывается балансный вход TPA 32хх и забывают на вход добавлять "фазовращатель" когда подают небалансный сигнал. Речь вот об этом: https://www.3e-audio.com/amplifier-kits ... with-pffb/


  Не в сети Профиль Профиль на discogs.com (откроется в новом окне) Моя система (откроется в новой вкладке)  
 
 Заголовок сообщения: FISHER CA M-300, похоже ему хана...
Непрочитанное сообщениеДобавлено: 07 мар 2025, 12:22 
Аватара пользователя
Автор темы

Имя: Дмитрий
Возраст: 49
Откуда: С-Петербург

На форуме с
Сообщений: 911
Его благодарили: 159
В общем если ориентироваться на это решение для опробование класса D, после приведения девайса в исходный АВ, то возникает следующая проблема. Питание у платы однополярное 34-51 с допуском +- 5 процентов, у меня двухполярка. и на нем в перспективе будут стабы LM 38-3918 для питания корректора и ОУ преда. Теоретически если махнуть мост на диоды шотки выдурю еще 1-2 вольта, но... если я запитаю мощник от земли и плюса а минус оставляю в воздухе то как поведут себя "земли" преда и корректора. Ну исче такая мысль от незнания и отсутствия опыта, чисто интуитивно - при намотке трансформатора понятно напряжение учитывается количеством витков, я беру половину обмотки на 66 и получаю 33, но при расчетах учитывается ведь и сечение проводника. Я правильно понимаю, что снимаемая мощность упадет, от той которую способен выдать трансформатор без разогрева и ухода в насыщения?


  Не в сети Профиль Профиль на discogs.com (откроется в новом окне) Моя система (откроется в новой вкладке)  
 
 Заголовок сообщения: FISHER CA M-300, похоже ему хана...
Непрочитанное сообщениеДобавлено: 10 мар 2025, 23:37 
Аватара пользователя
Автор темы

Имя: Дмитрий
Возраст: 49
Откуда: С-Петербург

На форуме с
Сообщений: 911
Его благодарили: 159
Приехала. Выглядит новодельно и неплохо. Но как известно, чем ярче фантик...

Вложение:
WhatsApp Image 2025-03-10 at 23.24.54.jpeg
WhatsApp Image 2025-03-10 at 23.24.54.jpeg [ 139.1 КБ | Просмотров: 12755 ]


  Не в сети Профиль Профиль на discogs.com (откроется в новом окне) Моя система (откроется в новой вкладке)  
 
 Заголовок сообщения: FISHER CA M-300, похоже ему хана...
Непрочитанное сообщениеДобавлено: 11 мар 2025, 06:15 
Злобный модератор
Аватара пользователя

Откуда: Город бесов

На форуме с
Сообщений: 25108
Его благодарили: 6029
Интересно, что там внутри. Возможно что то мелкое современное, и возможно плохой теплоотвод из-за пластиковой внешней "шубы" и неполного контакта с привалочной поверхностью под термопасту. Может из-за нагруженного теплового режима они и горят при большой нагрузке? Я про клоны, если что

-----------------
Как модератор форума я рад любому вкладу, независимо от того, насколько он деструктивен.


  Не в сети Профиль Моя система (откроется в новой вкладке)  
 
 Заголовок сообщения: FISHER CA M-300, похоже ему хана...
Непрочитанное сообщениеДобавлено: 11 мар 2025, 11:37 
Аватара пользователя
Автор темы

Имя: Дмитрий
Возраст: 49
Откуда: С-Петербург

На форуме с
Сообщений: 911
Его благодарили: 159
Дык и "оригинал" был запитан по верхнему пределу с разницей в полвольта от максимально допустимого, а стабы там только на пред и корректор. Походу 50 лет назад это был единственный вариант выжать 2х20 Вт из такой "коробочки". Привалочная да, вся в ребрах и не полированная, сама стк притянута обычными саморезами. Мне тож пока кроме как подложить под шляпки шайбы в голову ниче не приходит, хотя можно снизу теплоотвода сделать высверловку миллиметра на 4 и завести снизу болт, а сверху накрутить нормальные гайки со встроенным гровером поверх приличных по площади шайб. Можно ваще с алюмината по размеру стк накладку вырезать. Но сначала ее надо погонять часов 5-6 на максимуме, мож полыхнет, так и проблемы рассосутся сами.


  Не в сети Профиль Профиль на discogs.com (откроется в новом окне) Моя система (откроется в новой вкладке)  
 
 Заголовок сообщения: FISHER CA M-300, похоже ему хана...
Непрочитанное сообщениеДобавлено: 11 мар 2025, 13:32 
Аватара пользователя
Имя: Павел
Возраст: 59
Откуда: солнечная Хакасия

На форуме с
Сообщений: 2661
Его благодарили: 574
metal-daze писал(а):
Но сначала ее надо погонять часов 5-6 на максимуме, мож полыхнет,.

Если у Вас АС 4ёх-омные, то нагрузите сию микруху на 3 Ома, и дайте синус 50Гц в полную амплитуду(когда ограничение только начинается), 30 сек хватит :cool: А если меандр скормить, то и 1,5


  Не в сети Профиль  
 
 Заголовок сообщения: FISHER CA M-300, похоже ему хана...
Непрочитанное сообщениеДобавлено: 11 мар 2025, 13:42 
Злобный модератор
Аватара пользователя

Откуда: Город бесов

На форуме с
Сообщений: 25108
Его благодарили: 6029
metal-daze писал(а):
Привалочная да, вся в ребрах и не полированная,

Я не про внешнюю. Внутри микруха скорее всего залита, и как она прижата к внешней "сткшной" металлической поверхности - вопрос. То есть есть ли отвод тепла "изнутри" наружу?

-----------------
Как модератор форума я рад любому вкладу, независимо от того, насколько он деструктивен.


  Не в сети Профиль Моя система (откроется в новой вкладке)  
 
 Заголовок сообщения: FISHER CA M-300, похоже ему хана...
Непрочитанное сообщениеДобавлено: 11 мар 2025, 15:05 
Аватара пользователя
Имя: Павел
Возраст: 59
Откуда: солнечная Хакасия

На форуме с
Сообщений: 2661
Его благодарили: 574
operator писал(а):
metal-daze писал(а):
Привалочная да, вся в ребрах и не полированная,

Я не про внешнюю. Внутри микруха скорее всего залита, и как она прижата к внешней "сткшной" металлической поверхности - вопрос. То есть есть ли отвод тепла "изнутри" наружу?

СТКшки - микросборки, собранные на металлической подложке, которая и прижимается к радиатору, силовые кристаллы расположены именно на этой подложке, часть разумеется через диэлектрик(а может и все, уже не помню)


  Не в сети Профиль  
 
 Заголовок сообщения: FISHER CA M-300, похоже ему хана...
Непрочитанное сообщениеДобавлено: 11 мар 2025, 15:23 
Аватара пользователя
Автор темы

Имя: Дмитрий
Возраст: 49
Откуда: С-Петербург

На форуме с
Сообщений: 911
Его благодарили: 159
Не не, на вход подадим какой-нить современный хеви-метал, с современным сведением, закомпрессированный в усмерть, чтоб просто стена звука!!! А на выход надо прикрутить каие нить сопротивления, чтоб все это не слышать а просто следить за температурой..., или за вводными автоматами.


  Не в сети Профиль Профиль на discogs.com (откроется в новом окне) Моя система (откроется в новой вкладке)  
 
 Заголовок сообщения: FISHER CA M-300, похоже ему хана...
Непрочитанное сообщениеДобавлено: 11 мар 2025, 15:30 
Аватара пользователя
Имя: Павел
Возраст: 59
Откуда: солнечная Хакасия

На форуме с
Сообщений: 2661
Его благодарили: 574
metal-daze писал(а):
Не не, на вход подадим какой-нить современный хеви-метал, с современным сведением, закомпрессированный в усмерть, чтоб просто стена звука!!!

ну-уууу это всё равно не ровня синусу, а уж и подавно меандру 8-)


  Не в сети Профиль  
 
 Заголовок сообщения: FISHER CA M-300, похоже ему хана...
Непрочитанное сообщениеДобавлено: 11 мар 2025, 15:39 
Злобный модератор
Аватара пользователя

Откуда: Город бесов

На форуме с
Сообщений: 25108
Его благодарили: 6029
Весельчак У писал(а):
operator писал(а):
metal-daze писал(а):
Привалочная да, вся в ребрах и не полированная,

Я не про внешнюю. Внутри микруха скорее всего залита, и как она прижата к внешней "сткшной" металлической поверхности - вопрос. То есть есть ли отвод тепла "изнутри" наружу?

СТКшки - микросборки, собранные на металлической подложке, которая и прижимается к радиатору, силовые кристаллы расположены именно на этой подложке, часть разумеется через диэлектрик(а может и все, уже не помню)

Я про палево, как там внутри непонятно

-----------------
Как модератор форума я рад любому вкладу, независимо от того, насколько он деструктивен.


  Не в сети Профиль Моя система (откроется в новой вкладке)  
 
 Заголовок сообщения: FISHER CA M-300, похоже ему хана...
Непрочитанное сообщениеДобавлено: 11 мар 2025, 15:50 
Аватара пользователя
Имя: Павел
Возраст: 59
Откуда: солнечная Хакасия

На форуме с
Сообщений: 2661
Его благодарили: 574
operator писал(а):
Я про палево, как там внутри непонятно

а фиолетово, например вот я попадал, решил бету померить
Вложение:
1943.jpg
1943.jpg [ 205.46 КБ | Просмотров: 12684 ]
Вложение:
5200.jpg
5200.jpg [ 253.43 КБ | Просмотров: 12684 ]

ту же, упоминаемую 7294, сейчас весьма проблематичьно купить


  Не в сети Профиль  
 
 Заголовок сообщения: FISHER CA M-300, похоже ему хана...
Непрочитанное сообщениеДобавлено: 11 мар 2025, 23:06 
Аватара пользователя
Автор темы

Имя: Дмитрий
Возраст: 49
Откуда: С-Петербург

На форуме с
Сообщений: 911
Его благодарили: 159
operator писал(а):
Я про палево, как там внутри непонятно

Эт если полыхнет. Такую шо пришла видал в многих видео по ремонту аппаратуры 90-х. Буду надеяться, что это какой-нить ЭСТЭ семикондуктор по лицензии санье или по окончании патента, а оригинал 80-х годов в плане надежности еще хуже, да пох... лишь бы сразу не сгорел, все равно, мне что-то подсказывает, это не конечный вариант.


  Не в сети Профиль Профиль на discogs.com (откроется в новом окне) Моя система (откроется в новой вкладке)  
 
 Заголовок сообщения: FISHER CA M-300, похоже ему хана...
Непрочитанное сообщениеДобавлено: 13 мар 2025, 09:25 
Модератор
Аватара пользователя
Имя: Владимир.
Откуда: СПб. Колпино.

На форуме с
Сообщений: 12879
Его благодарили: 6340
А почему бы питание балалайки для начала слегка не занизить? Хотя бы и по первичке.

-----------------
Лужу-паяю, ЭВМ починяю.


  Не в сети Профиль Профиль на discogs.com (откроется в новом окне) Моя система (откроется в новой вкладке)  
 
Показать сообщения за:  Поле сортировки  
Начать новую тему Ответить на тему  [ Сообщений: 201 ]  На страницу 1, 2, 3, 4, 5 ... 7  След.

Часовой пояс: UTC + 3 часа


Кто сейчас на форуме

Сейчас этот форум просматривают: нет зарегистрированных пользователей и гости: 3


Вы не можете начинать темы
Вы не можете отвечать на сообщения
Вы не можете редактировать свои сообщения
Вы не можете удалять свои сообщения
Вы не можете добавлять вложения

Найти:
Перейти:  

Создано на основе phpBB® Forum Software © phpBB Group
© 2013-2020 Sound Space - форум о музыке и аудиотехнике
Разработка логотипа - artcore.top

    hosted by .masterhost