Форум о музыке и аудиотехнике Sound Space



Часовой пояс: UTC + 3 часа




Начать новую тему Ответить на тему  [ Сообщений: 201 ]  На страницу Пред.  1 ... 3, 4, 5, 6, 7
Автор Сообщение
 Заголовок сообщения: FISHER CA M-300, похоже ему хана...
Непрочитанное сообщениеДобавлено: 11 июн 2025, 16:03 
Злобный модератор
Аватара пользователя

Откуда: Город бесов

На форуме с
Сообщений: 25112
Его благодарили: 6034
Элеконд пусковые производит

-----------------
Как модератор форума я рад любому вкладу, независимо от того, насколько он деструктивен.


  Не в сети Профиль Моя система (откроется в новой вкладке)  
 
 Заголовок сообщения: FISHER CA M-300, похоже ему хана...
Непрочитанное сообщениеДобавлено: 11 июн 2025, 16:05 
Злобный модератор
Аватара пользователя

Откуда: Город бесов

На форуме с
Сообщений: 25112
Его благодарили: 6034
Наврал, КЗК пусковые делает https://kuzcon.ru/k78-22

-----------------
Как модератор форума я рад любому вкладу, независимо от того, насколько он деструктивен.


  Не в сети Профиль Моя система (откроется в новой вкладке)  
 
 Заголовок сообщения: FISHER CA M-300, похоже ему хана...
Непрочитанное сообщениеДобавлено: 11 июн 2025, 16:35 
Аватара пользователя


На форуме с
Сообщений: 723
Его благодарили: 57
По картинке, вроде не они... Мои вроде как Новосибирские были... Али я путаю. Теперь даже самому интересно стало. Хоть в мастерскую беги смотри.


  Не в сети Профиль  
 
 Заголовок сообщения: FISHER CA M-300, похоже ему хана...
Непрочитанное сообщениеДобавлено: 01 авг 2025, 00:14 
Аватара пользователя
Автор темы

Имя: Дмитрий
Возраст: 49
Откуда: С-Петербург

На форуме с
Сообщений: 911
Его благодарили: 159
Приветствую форум!
Пока тема висела сменил работу (два раза) и объехал всю Карелию с Кольским полуостровом! Прибор я так и не купил..., хотя надежды не теряю, купил зато сига 15 кг в Полярных зорях (рыбу терь разделываю за пару минут, и без единой косточки, короче натренировался), фаркоп и крышку багажника, моя "хлопушка" чет совсем...
По последним событиям в теме. чуда не случилось, но и ху..и то-же!!! Есть промежуточный положительный результат, в общем новые банки решили проблему. По размеру и положению выводов конечно же никуя не совпало (по рисунку на плате видно на сколько), пришлось посверлить, потереть маски-шмаски, полудить и вдоволь попаять. В режиме "преда" все ок, фона нет, присутствует небольшой шум когда РГ источника, фишеровского преда, и входные атеньюатеры (х.з правильно написал?) мощников от дэнон выкручены на самый максимум. Но это уже потолок, рабочие режимы работы аппаратуры и вменяемого слушателя от этого сильно далеки, а для дискотеки у меня за городом все эти дела, дома я че-то очкую, годы не те, битву с соседями могу уже по дыхалке не вытянуть.
В общем я в гармонии!
По пусковым конденсаторам, воткнул вот эти https://www.chipdip.ru/product0/9001816290
На этот раз дело было не в пусковом а в рабочем, короче "херня все эти эпкос" говорить пока не буду, посмотрю сколько эти протянут.
Еще раз всем спасибо за тех.поддержку! Без вас парни я бы и не брался!
Мощник попробую подрубить в ближайшее время, начнет фонить, разделю земли как Олегович говорил, но там будут варианты.
Вложение:
WhatsApp Image 2025-07-31 at 23.01.11 (1).jpeg
WhatsApp Image 2025-07-31 at 23.01.11 (1).jpeg [ 177.82 КБ | Просмотров: 2930 ]


  Не в сети Профиль Профиль на discogs.com (откроется в новом окне) Моя система (откроется в новой вкладке)  
 
 Заголовок сообщения: FISHER CA M-300, похоже ему хана...
Непрочитанное сообщениеДобавлено: 04 авг 2025, 17:36 
Аватара пользователя
Автор темы

Имя: Дмитрий
Возраст: 49
Откуда: С-Петербург

На форуме с
Сообщений: 911
Его благодарили: 159
Прицепил мощник, сигнальные не припаивал, входы закорочены, хотел послушать есть ли рокот, динамик разогрел но сгореть не успел, на выходе мощника + 27V, че с ним стало за месяц лежания на полке х.з. На преде все ок.
Короче осталось выпаять китайские TDA и впаять из чипадипа..., хотя внешне они одинаковые.
Может транс периодически "чудить"? Может там какое межвитковое?
Есть у меня маленький ТПП на два плеча по 15В, может запитать им пред, выкинуть родной транс и вкорячить импульсник на двуполярку 36 В для питания мощника? Есть у кого опыт запитки УНЧ от импульсника?


  Не в сети Профиль Профиль на discogs.com (откроется в новом окне) Моя система (откроется в новой вкладке)  
 
 Заголовок сообщения: FISHER CA M-300, похоже ему хана...
Непрочитанное сообщениеДобавлено: 04 авг 2025, 18:17 
Аватара пользователя
Имя: Александр
Откуда: Москва

На форуме с
Сообщений: 1786
Его благодарили: 703
metal-daze писал(а):
Есть у кого опыт запитки УНЧ от импульсника?

Есть. Такой опыт есть. Берешь, и запитываешь. Но если на выходе усилителя постоянка в целых 27 вольт, то причем здесь транс то? У тебя постоянка будет и при импульсном питальнике. Сдохла TDAшка. Это бывает.

-----------------
Лучшее - враг хорошего!


  Не в сети Профиль  
 
 Заголовок сообщения: FISHER CA M-300, похоже ему хана...
Непрочитанное сообщениеДобавлено: 04 авг 2025, 18:25 
Аватара пользователя
Имя: Александр
Откуда: Москва

На форуме с
Сообщений: 1786
Его благодарили: 703
metal-daze писал(а):
выкинуть родной транс и вкорячить импульсник на двуполярку 36 В для питания мощника?

Многовато для TDAшки. Прям на пределе.

-----------------
Лучшее - враг хорошего!


  Не в сети Профиль  
 
 Заголовок сообщения: FISHER CA M-300, похоже ему хана...
Непрочитанное сообщениеДобавлено: 04 авг 2025, 18:51 
Аватара пользователя
Автор темы

Имя: Дмитрий
Возраст: 49
Откуда: С-Петербург

На форуме с
Сообщений: 911
Его благодарили: 159
Сейчас реально на плату приходит 31. 36 это я так брякнул с прицелом на тпа 3255 :) хотя там 48 надо.
Зы: сдохли обе сразу…


  Не в сети Профиль Профиль на discogs.com (откроется в новом окне) Моя система (откроется в новой вкладке)  
 
 Заголовок сообщения: FISHER CA M-300, похоже ему хана...
Непрочитанное сообщениеДобавлено: 08 авг 2025, 12:35 
Аватара пользователя
Автор темы

Имя: Дмитрий
Возраст: 49
Откуда: С-Петербург

На форуме с
Сообщений: 911
Его благодарили: 159
Приветствую форум!
В общем из-за нецелевого использования и разворовывания фонда инвестиций в приборную базу и тех.литературу, чтоб не морозить проект пришлось пойти по пути исключения. Короче "фон и рокот" в питание вносили стабилитроны перед стабами преда или сами стабы. Не выносят L78xx повышенного напряжения на входе (не смотря на даташит), не уверен, что это оригинальные "он", но в этом случае так. Короче с ТПГ-2 2х15 все четко. Решил разделить питание преда и мощника. Все равно это придется делать если переходить в последствии на "класс D". Может и мощник гудеть перестанет, хотя когда я все откидывал и питание шло только на него то гудел, может ТДА такие были...

Вложение:
WhatsApp Image 2025-08-08 at 12.20.32.jpeg
WhatsApp Image 2025-08-08 at 12.20.32.jpeg [ 334.92 КБ | Просмотров: 2786 ]


Вложение:
WhatsApp Image 2025-08-08 at 12.20.33.jpeg
WhatsApp Image 2025-08-08 at 12.20.33.jpeg [ 338.88 КБ | Просмотров: 2786 ]


Парни посоветуйте, 25в 4700 мкф в плече для преда нормально?


  Не в сети Профиль Профиль на discogs.com (откроется в новом окне) Моя система (откроется в новой вкладке)  
 
 Заголовок сообщения: FISHER CA M-300, похоже ему хана...
Непрочитанное сообщениеДобавлено: 08 авг 2025, 12:38 
Модератор
Аватара пользователя
Имя: Владимир.
Откуда: СПб. Колпино.

На форуме с
Сообщений: 12880
Его благодарили: 6341
metal-daze писал(а):
Решил разделить питание преда и мощника.

Отличный ход. :cool:
metal-daze писал(а):
25в 4700 мкф в плече для преда нормально?

А сколько там напруги?

-----------------
Лужу-паяю, ЭВМ починяю.


  Не в сети Профиль Профиль на discogs.com (откроется в новом окне) Моя система (откроется в новой вкладке)  
 
 Заголовок сообщения: FISHER CA M-300, похоже ему хана...
Непрочитанное сообщениеДобавлено: 08 авг 2025, 23:17 
Аватара пользователя
Имя: Александр
Откуда: Москва

На форуме с
Сообщений: 1786
Его благодарили: 703
metal-daze писал(а):
Приветствую форум!
В общем из-за нецелевого использования и разворовывания фонда инвестиций в приборную базу и тех.литературу, чтоб не морозить проект пришлось пойти по пути исключения. Короче "фон и рокот" в питание вносили стабилитроны перед стабами преда или сами стабы. Не выносят L78xx повышенного напряжения на входе (не смотря на даташит)

Ну, так повышенную напругу на входе стаба, можно было погасить обычными резисторами. Получился бы дополнительный фильтр. Да, и не люблю я эти 78хх. На транзисторах стаб мне нравится больше. И высокого напряжения транзисторы не боятся. А для нормальной фильтрации , достаточно вполне 1.000 мкф на входе стаба.

-----------------
Лучшее - враг хорошего!


  Не в сети Профиль  
 
 Заголовок сообщения: FISHER CA M-300, похоже ему хана...
Непрочитанное сообщениеДобавлено: 09 авг 2025, 14:08 
Аватара пользователя
Имя: юрий
Возраст: 68
Откуда: самара

На форуме с
Сообщений: 1844
Его благодарили: 933
С большим трудом прочел всю ветку- похоже мне хана! :D

-----------------
Прежде чем диагностировать у себя депрессию и заниженную самооценку,убедитесь,что вы не окружены идиотами.
Фрейд

Умные мысли приходят после того, как все глупости уже сделаны.


  Не в сети Профиль Моя система (откроется в новой вкладке)  
 
 Заголовок сообщения: FISHER CA M-300, похоже ему хана...
Непрочитанное сообщениеДобавлено: 10 авг 2025, 23:20 
Аватара пользователя
Автор темы

Имя: Дмитрий
Возраст: 49
Откуда: С-Петербург

На форуме с
Сообщений: 911
Его благодарили: 159
Горрыныч писал(а):
А сколько там напруги?

Транс 2х15, после моста чето около 20-21, Непосредственно возле самих L78xx уже установлено по 2200 (вон там зелененькое.., тока справа относительно чОрных, по даташиту, жамикон которые). Там на предпоследнем фото в теме, между трансом и материнкой как раз места под печатку с "плоским" мостом и еще пара банок влезает ченить 16х25 или 35, 25в 2700, 4700 мкФ в этих размерах обычно. Хотя 4700 это уже 18 в диаметре, а у меня 35 ширина.
Короче 2700 и нормально, 1000 столько же стОит.

loud писал(а):
С большим трудом прочел всю ветку- похоже мне хана!

Все нормально :D этож ремонтная тема... А с ремонтом как известно можно тока приостановить. Я когда окончательно верхнюю крышку установлю, наверно крепко выпью...


  Не в сети Профиль Профиль на discogs.com (откроется в новом окне) Моя система (откроется в новой вкладке)  
 
 Заголовок сообщения: FISHER CA M-300, похоже ему хана...
Непрочитанное сообщениеДобавлено: 11 сен 2025, 15:40 
Аватара пользователя
Автор темы

Имя: Дмитрий
Возраст: 49
Откуда: С-Петербург

На форуме с
Сообщений: 911
Его благодарили: 159
Приветствую форум!

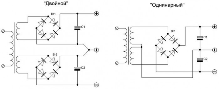
Дошли руки поковырять прибор, спаял выпрямитель, транс ТПК-2 2Х15. По расчетам 15*1,42=21,3
Замерил переменку перед монтажом на трансе, 2х15 переменки. На выходе выпрямителя 2х27, емкость сглаживающих картинку не меняет, что 1000, что 2200, что 470.
Мост готовый.
Че не так?
Делал по "одинарной".

Вложение:
9943641f4f26f0e53f885d5be939d1f7.jpg
9943641f4f26f0e53f885d5be939d1f7.jpg [ 22.29 КБ | Просмотров: 2619 ]


  Не в сети Профиль Профиль на discogs.com (откроется в новом окне) Моя система (откроется в новой вкладке)  
 
 Заголовок сообщения: FISHER CA M-300, похоже ему хана...
Непрочитанное сообщениеДобавлено: 11 сен 2025, 16:02 
Аватара пользователя
Имя: Александр
Откуда: Москва

На форуме с
Сообщений: 1786
Его благодарили: 703
Не может такого быть! Если переменка 15 в, то постоянка 27 вольт никак не может быть! 20 может.

-----------------
Лучшее - враг хорошего!


  Не в сети Профиль  
 
 Заголовок сообщения: FISHER CA M-300, похоже ему хана...
Непрочитанное сообщениеДобавлено: 11 сен 2025, 16:46 
Модератор
Аватара пользователя
Имя: Владимир.
Откуда: СПб. Колпино.

На форуме с
Сообщений: 12880
Его благодарили: 6341
metal-daze писал(а):
Че не так?

Тестер в студию!

-----------------
Лужу-паяю, ЭВМ починяю.


  Не в сети Профиль Профиль на discogs.com (откроется в новом окне) Моя система (откроется в новой вкладке)  
 
 Заголовок сообщения: FISHER CA M-300, похоже ему хана...
Непрочитанное сообщениеДобавлено: 16 окт 2025, 21:38 
Аватара пользователя
Автор темы

Имя: Дмитрий
Возраст: 49
Откуда: С-Петербург

На форуме с
Сообщений: 911
Его благодарили: 159
Приветствую форум!

Поставил новую крону в тестер, стал поточней, но дело не в нем. Нашел ошибку, короче после покупки транса померял напруги на вторичке между 3-4 и 5-6 (15V), ну и за среднюю взял 4-5.... Я х.з. как там роботы трансы мотают, но расклад получился следующий:

Вложение:
WhatsApp Image 2025-10-16 at 21.26.03_новый размер.jpeg
WhatsApp Image 2025-10-16 at 21.26.03_новый размер.jpeg [ 182.93 КБ | Просмотров: 2260 ]


Но ток я все равно не вкуриваю как получаются 11 и 23V если сопротивление между 3-4 и 5-6 50 Ом, а между остальными милиард мегаом как не комбинируй контакты при измерении, у меня край на тестере 20 MОм.
Че делать с серединой я так и не понял, кроме как залепить два моста в голову ниче не приходит.
Есть мнения? Я пока 3 и 6 попробую объединить и взять за середину.


  Не в сети Профиль Профиль на discogs.com (откроется в новом окне) Моя система (откроется в новой вкладке)  
 
 Заголовок сообщения: FISHER CA M-300, похоже ему хана...
Непрочитанное сообщениеДобавлено: 16 окт 2025, 22:10 
Аватара пользователя
Автор темы

Имя: Дмитрий
Возраст: 49
Откуда: С-Петербург

На форуме с
Сообщений: 911
Его благодарили: 159
Не канает, соединил 3 и 6, между 3-4 и 5-6 по 21V, между 4-5 42V
Походу только два моста?


  Не в сети Профиль Профиль на discogs.com (откроется в новом окне) Моя система (откроется в новой вкладке)  
 
 Заголовок сообщения: FISHER CA M-300, похоже ему хана...
Непрочитанное сообщениеДобавлено: 16 окт 2025, 22:38 
Аватара пользователя
Автор темы

Имя: Дмитрий
Возраст: 49
Откуда: С-Петербург

На форуме с
Сообщений: 911
Его благодарили: 159
Поразбирался с ТПГ, нашел производителя среди продавцев. Все правильно он выдает на х.х, по 20 В.
Парни как прикинуть ток нагрузки преда с фонокорректором? Всего три опера, все по 5 мА... Транс на 0.05А
Может нужен ТПГ-2 2х12?

Вложение:
Новый точечный рисунок.jpg
Новый точечный рисунок.jpg [ 147.71 КБ | Просмотров: 2253 ]


И все равно не вкуриваю, почему на х.х между 3-4 и 5-6 по 15В а при соединении концев в среднюю точку там-же по 20В?


  Не в сети Профиль Профиль на discogs.com (откроется в новом окне) Моя система (откроется в новой вкладке)  
 
 Заголовок сообщения: FISHER CA M-300, похоже ему хана...
Непрочитанное сообщениеДобавлено: 22 окт 2025, 06:21 
Аватара пользователя


На форуме с
Сообщений: 723
Его благодарили: 57
metal-daze, на мой взгляд, больше на 1\4 (максимум 1\3) суммы всех потребителей не нужно. Но сам бы я все равно использовал на 0,35 а то на 0,5 Ампера. Ну мало ли, вдруг чего поменять захочется. :)


  Не в сети Профиль  
 
 Заголовок сообщения: FISHER CA M-300, похоже ему хана...
Непрочитанное сообщениеДобавлено: 31 окт 2025, 15:24 
Аватара пользователя
Автор темы

Имя: Дмитрий
Возраст: 49
Откуда: С-Петербург

На форуме с
Сообщений: 911
Его благодарили: 159
Приветствую форум!
Вложился мкжду делом в приборную базу, купил fnirsi 53. Прибор зачетный. Режим автомат сильно радует! Овцелограф еще не освоил, но это потом. Исче две кофемашины вне очереди встали. С одной понятно, ей пятнадцать лет, исче в Швейцарии делали, вторая сименс, меньше года, совсем фцфел гнать стали. Амортики на стиралку кстати с партдирекс как и со всех озонов, вб и яндексов, те шр по рубль тридцать за пару уже отъ...нули. Три месяца..... Я х.з где запчасти нормальные брать.

В общем все равно на холостом ходу выпрямитель выдает по 22 переменки на выходе вторичек и 28 после моста на плечах. Так наверно и должно быть на хх. Подключу пред посмотрю, что будет пере стабами и после.

Ну или чет мне кажется, под мою нвгрузку нужно брать ТПГ 2х12 на 0,1А из таблицы... Получу свои вожделенные 18+
Не?


  Не в сети Профиль Профиль на discogs.com (откроется в новом окне) Моя система (откроется в новой вкладке)  
 
Показать сообщения за:  Поле сортировки  
Начать новую тему Ответить на тему  [ Сообщений: 201 ]  На страницу Пред.  1 ... 3, 4, 5, 6, 7

Часовой пояс: UTC + 3 часа


Кто сейчас на форуме

Сейчас этот форум просматривают: нет зарегистрированных пользователей и гости: 1


Вы не можете начинать темы
Вы не можете отвечать на сообщения
Вы не можете редактировать свои сообщения
Вы не можете удалять свои сообщения
Вы не можете добавлять вложения

Найти:
Перейти:  

Создано на основе phpBB® Forum Software © phpBB Group
© 2013-2020 Sound Space - форум о музыке и аудиотехнике
Разработка логотипа - artcore.top

    hosted by .masterhost