Ок. Запуск прошел успешно.
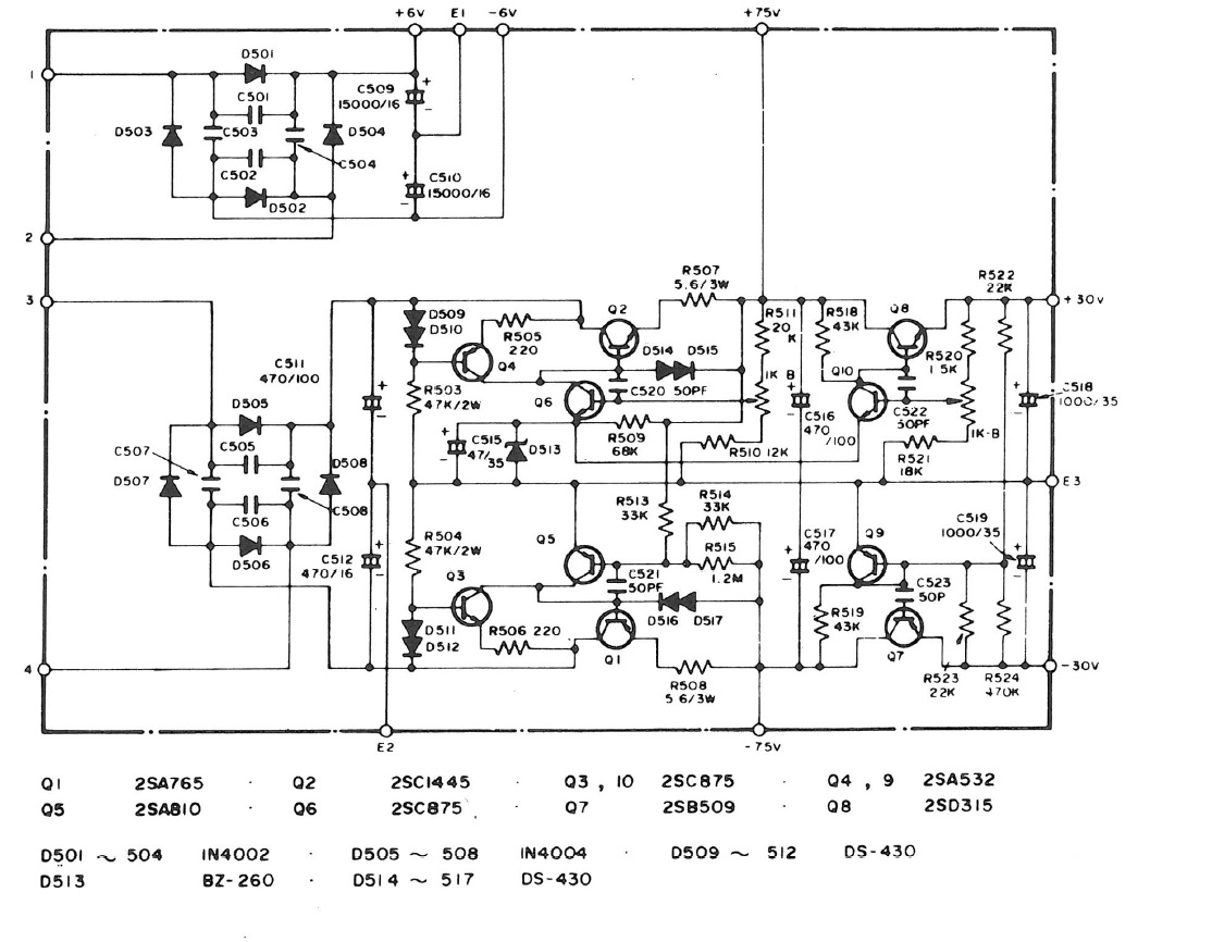
Обнаружился коротыш на вторичной +-6В, но там предохранители на 1.5 А, почему сгорели 250 мА на +- 80 я так и не понял, через "все что после БП" прилететь не могла, оно все отключено, наверно через общий магнитопровод ченить произошло. Х.з, утомило меня это ведро. Решил пока не вникать, лучше водки попить в субботу, а сегодня уже другие планы, потом как-нить.
В общем сменил R503, 504, 505, 506, 518, 519.
Q3, 4, 5, 6, 9, 10 сменил на KSA 916/2316, нагрузил как посоветовали 47 кОм..., ну и оно поехало весело и задорно.
Всем коллегам салют и спасибо за тех. поддержку
На неделе пойду дальше ревезировать, убило -95-105 на холостом ходу ченить в корректоре или нет (вроде все отключил после обнаружения перекоса ток не могу припомнить момент, когда было 95 или уже 105

)