Sound Space
https://audioes.ru/

Ищу схему на усилители: "Denon PMA-780D/880D"
https://audioes.ru/viewtopic.php?f=10&t=10062
Страница 1 из 1

Автор:  Meshin [ 14 май 2019, 07:02 ]
Заголовок сообщения:  Ищу схему на усилители: "Denon PMA-780D/880D"

Ищу схему на усилитель: "Denon PMA-780D" либо на: "Denon PMA-880D". Интересует принципиальная схема узла переключения акустических систем. У 780-го стандартно "А/В/А+В/выкл". У 880-го "В" напрямую без отключения, "А" либо отключена, либо в параллель "В".
Можно конечно вскрыть усилитель "-880D", проштудировать и переделать, или закрыть, и не влезать...
Если вдруг у кого-то имеется или известно где взять - был бы благодарен.

Автор:  Andrey 69 [ 15 май 2019, 02:20 ]
Заголовок сообщения:  Ищу схему на усилители: "Denon PMA-780D/880D"

Игорь,привет,посмотри,оно? https://www.nodevice.com/service-manual ... ual-viewer

Автор:  Meshin [ 15 май 2019, 06:30 ]
Заголовок сообщения:  Ищу схему на усилители: "Denon PMA-780D/880D"

Андрей спасибо. В закладки бросил. Буду разбираться.

Автор:  Bigman [ 15 май 2019, 07:04 ]
Заголовок сообщения:  Ищу схему на усилители: "Denon PMA-780D/880D"

https://www.google.com/url?sa=t&source= ... KfXRvNQ4uV
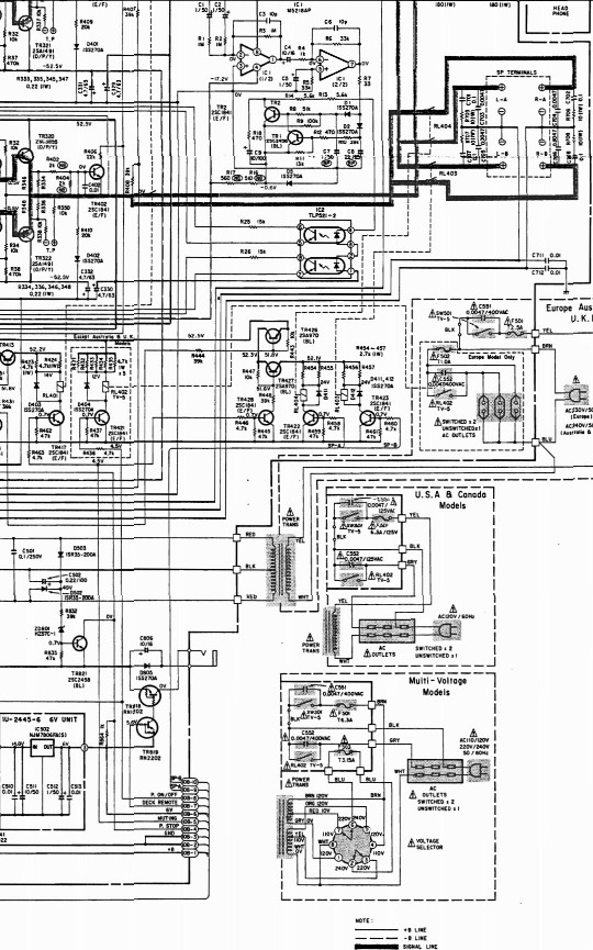
Сразу скачивается в pdf Навскидку - на каждую пару выходов свое реле. Управляются с процессора.

Автор:  Bigman [ 15 май 2019, 07:19 ]
Заголовок сообщения:  Ищу схему на усилители: "Denon PMA-780D/880D"

И платы защиты тоже работают. Если одна релюшка постоянно включена, то либо проц, либо защита включили ее на постоянку. Либо просто залипла сама релюшка, или какой-нибудь деятель тупо перемкнул. 8-)

Автор:  Meshin [ 15 май 2019, 08:10 ]
Заголовок сообщения:  Ищу схему на усилители: "Denon PMA-780D/880D"

Накачал разного.
Весь пердиманокль в том, что у меня "PMA-880D". Там управление ручное и в функции так, и заложено, что акустика "В" не отключаемая. У переключателя всего два положения и только для "А". Где-то читал, что это своеобразный "директ". Система "А" может подключится в параллель "В"или быть отключенной. Почему я и спрашивал про PMA-780D, У него чуть по другому устроен ЦАП и коммутация акустики полноценная. А в остальном это тот же PMA-880D.

Автор:  Bigman [ 15 май 2019, 13:01 ]
Заголовок сообщения:  Ищу схему на усилители: "Denon PMA-780D/880D"

Meshin писал(а):
Там управление ручное и в функции так, и заложено, что акустика "В" не отключаемая. У переключателя всего два положения и только для "А". Где-то читал, что это своеобразный "директ". Система "А" может подключится в параллель "В"или быть отключенной

Странный, мягко говоря, директ... В любом случае, контакты реле задействованы, иначе как осуществляется защита, и задержка подключения акустики? Без защиты никак нельзя... Что-то здесь не так.

Автор:  Meshin [ 15 май 2019, 17:07 ]
Заголовок сообщения:  Ищу схему на усилители: "Denon PMA-780D/880D"

Да, конечно. Это реле имеется. Просто акустика "В" идёт с его контактов напрямую на свои клеммы. Может и через другую плату, через которую коммутируется акустика "А", но минуя такую же коммутацию как у "А".
Т.е. "А" идёт через контакты дополнительного реле или контакты скажем галлетника, а "В" сразу на выход!
В общем вскрытие покажет. Надо усилитель Диатон вернуть на место, Деноном заняться.

Автор:  Bigman [ 15 май 2019, 17:58 ]
Заголовок сообщения:  Ищу схему на усилители: "Denon PMA-780D/880D"

Meshin писал(а):
Это реле имеется. Просто акустика "В" идёт с его контактов напрямую на свои клеммы. Может и через другую плату, через которую коммутируется акустика "А", но минуя такую же коммутацию как у "А".
Т.е. "А" идёт через контакты дополнительного реле или контакты скажем галлетника, а "В" сразу на выход!

Нет там никаких дополнительных контактов и плат. Реле 403 включает акустику А, реле 404, акустику Б. Управление идет с процессора. Все коротко, ясно и понятно. Не думаю, что к этой простоте могли пригородить еще какой-то огород. 8-) Ладно, ждем вскрытия, мне тоже интересно стало.

Вложения:
S90515-195242(1).jpg
S90515-195242(1).jpg [ 166.24 КБ | Просмотров: 2061 ]

Автор:  Meshin [ 16 май 2019, 07:32 ]
Заголовок сообщения:  Ищу схему на усилители: "Denon PMA-780D/880D"

Хочу ещё раз заметить. У меня усилитель: "Denon PMA-880D". И на него не нашлось сервис мануала.
Вот эта злополучная рукоять:
Вложение:
e.jpg
e.jpg [ 164.04 КБ | Просмотров: 2052 ]

На всех схемах, которые у меня вчЁра случились, примерно одно и тоже решение, что на Вашем вложении. А так как "Denon PMA-780D", брат близнец 880D. С такой вот рукоятью:
Вложение:
f.jpg
f.jpg [ 167.92 КБ | Просмотров: 2052 ]

То вполне возможно, что и платы взаимодействия с АС у них одинаковые. Просто на плате "880" отсутствуют детали для коммутации "В", а рукоятке позволено лишь два положения. Уповая на это, думаю "кастрацию" 880 устранить.
Японцы пишут по этому поводу:
" Динамик: AorB: от 6 до 16 Ω, A + B: от 12 до 16 Ω
(клемма B является прямым подключением) "
P.S. пульты управления к этим усилителям не предусмотрены. Поэтому процессора в них Ёк!

Автор:  Meshin [ 10 июн 2019, 06:35 ]
Заголовок сообщения:  Ищу схему на усилители: "Denon PMA-780D/880D"

Пока сделать ничего не удастся. всё по минимуму. Реле задержки/защиты одно. От него на АС "В" прямым проводом на соответствующие терминалы выхода.
Система "А" уходит оттуда же, но на плату переключения "spaeker-A", который и коммутирует вкл/выкл АС "А". Дополнительных контактных групп на галетном переключателе нет. Надежду оставляем за бортом.
Искать переключатель акустики от усилителя "Denon PMA-780D", наверное безнадёжно. Колхозить подходящий галетник? Не....

Автор:  Meshin [ 10 июн 2019, 14:07 ]
Заголовок сообщения:  Ищу схему на усилители: "Denon PMA-780D/880D"

Буду делать селектор выходного сигнала на АС. Нашёл пять тумблеров, ещё отечественных, на мощных контактах. Посеребренных. Есть пара ещё более мощных. Сделаю коробочку на два входных и четыре выходных терминала. Подключу к прямому выходу "В". В усилитель не полезу.

Автор:  Bigman [ 10 июн 2019, 17:16 ]
Заголовок сообщения:  Ищу схему на усилители: "Denon PMA-780D/880D"

Meshin писал(а):
Искать переключатель акустики от усилителя "Denon PMA-780D", наверное безнадёжно. Колхозить подходящий галетник? Не....

Если нужно просто переключать между А и В, то самый простой, на мой взгляд, вариант - еще одно реле с переключающимися контактами. Управлять им переключателем на передней панели, а само реле повесить в удобном месте, хоть возле выходных клемм. Если все сделать аккуратно, с головой, то потом можно будет все вернуть в первозданный вид. И

Автор:  Meshin [ 10 июн 2019, 18:21 ]
Заголовок сообщения:  Ищу схему на усилители: "Denon PMA-780D/880D"

Bigman писал(а):
еще одно реле с переключающимися контактами.

Я не против даже двух. На каждую из систем, но....
Bigman писал(а):
Управлять им переключателем на передней панели,

Не получится. Галетный переключатель не имеет столько групп контактов, чтобы управлять парой реле. В одной смысла нет.
Есть смысл этим заниматься только в том случае, если отыщется плата управления АС от PMA780D. Она устроена на галетном переключателе, что бы было понятно - как у Брига-001. После реле защиты и задержки сигнал на галетник, а уже он коммутирует АС1/АС2/Телефон/Выкл.
Так что, буду делать селектор.

Автор:  Горрыныч [ 10 июн 2019, 18:41 ]
Заголовок сообщения:  Ищу схему на усилители: "Denon PMA-780D/880D"

Meshin писал(а):
Так что, буду делать селектор.

Самое правильное решение.
Во, набор для коммутатора за полчаса без паяльника:

Вложения:
IMG_0112.JPG
IMG_0112.JPG [ 117.99 КБ | Просмотров: 2015 ]

Автор:  Meshin [ 11 июн 2019, 05:09 ]
Заголовок сообщения:  Ищу схему на усилители: "Denon PMA-780D/880D"

Можно и так. Тем более всё есть для этого. Пока корпус подыщется, да терминалы приличные купятся...

Страница 1 из 1 Часовой пояс: UTC + 3 часа
Powered by phpBB® Forum Software © phpBB Group
http://www.phpbb.com/